рефераты бесплатно
 

МЕНЮ


Учебное пособие: Теория автоматического управления

3. Содержание задания.

3.1. Составить структурную схему и найти эквивалентные передаточные функции САУ по воздействиям Dmс и DWзад.

3.2. Выбрать значение Кр.расч., при котором обеспечивается статизм регулирования Кс £ 0.05 (по возмущающему воздействию mс).

 3.3. Рассчитать и построить переходные характеристики системы DW=f(t) при выбранном значении Кр=Кр.расч. и различных значениях К’ и К” (для входных воздействий Wзад = 1.0 и mс = 1.0.

Выбрать значения К’ = К’расч. и К” = К”расч., при которых переходные процессы имеют затухающий и, по возможности, монотонный (без перерегулирования) характер. Определить время переходного процесса tп и, при необходимости, перерегулирование g и колебательность G.

Значения К” целесообразно принимать в диапазоне

0.5 ТаТр

0< К’’ <-----------------

КаКр

3.4. Рассчитать и построить КЧХ, АЧХ, ФЧХ и ВЧХ системы в замкнутом состоянии, оценить частотные свойства и показатели качества регулирования (tп, g, G). Сравнить полученные значения показателей качества с соответствующими значениями пункта 3.3.

3.5. Определить показатели качества регулирования (tп, G) по расположению нулей и полюсов передаточной функции системы в комплексной плоскости и сравнить их с соответствующими значениями пунктов 3.3 и 3.4.

3.6. Рассчитать и построить область устойчивости системы в плоскости параметров Кр, К’ при К” = К”расч.

Окончательно выбрать значения Кр.расч. и К’расч.

3.7. Определить запас устойчивости системы по модулю и фазе (по Найквисту).

Задание 3

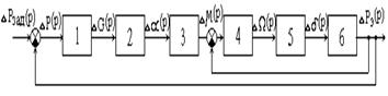
 1. Провести исследование системы автоматического регулирования активной мощности ГЭС.

 2. Исходные данные.

 2.1. Структурная схема

1- регулятор мощности;

2 - серводвигатель;

3 - гидравлическая турбина;

4 - звено, моделирующее изменение частоты вращения эквивалентного гидроагрегата от изменения момента;

5 - звено, моделирующее изменение угла Dd от изменения частоты вращения DW;

6 - звено, моделирующее изменение электрической мощности эквивалентного гидрогенератора от изменения угла Dd;

Рзад - задание по мощности, (о.е.);

Рэ - электрическая мощность эквивалентного гидрогенератора, (о.е.);

G - регулирующее воздействие на входе серводвигателя, (о.е.);

a - степень открытия направляющего аппарата, (о.е.);

m - момент на валу турбины, (о.е.);

W - угловая частота вращения, (о.е.);

d - угол между векторами ЭДС эквивалентного гидрогенератора ГЭС и эквивалентного генератора приемной энергетической системы.

2.2. Передаточные функции элементов структурной схемы

DG(p)                                                  Da(р)          К’p + 1

W1(р) =-------- = Кр ; DР = DРзад - DРэ; W2(р) =-------- = ---------------;

DP(р)                                                   DG(p)          Трр

Dm(p)                1 - a0Т0р              DW(р)                 1

W3(р) =----------- = ------------------- ; W 4(р) =--------------- = --------- ;

Da(р)                1 + 0.5a0Т0р       Dm(p)                   Тар

Dd(р)              1                           DРэ

W 5(р) = ----------- = ----------- ; W 6(р) = ----------- = К х + К ‘х P,

DW(p)              Тdр                      Dd(р)

где Кр - коэффициент передачи регулятора мощности;

К’ - коэффициент передачи по скорости изменения мощности;

Тр - постоянная времени регулятора, (с);

a0 - исходная нагрузка эквивалентного гидроагрегата, (о.е.);

Т0 - постоянная времени водовода при номинальной частоте вращения, соответствующая номинальной нагрузке агрегата, (с);

Та - постоянная инерции эквивалентного гидроагрегата, отнесенная к базисной (номинальной) мощности, (с); Тd = 0.00318 с (при wном = 314 рад/с);

К х , К ‘х - коэффициенты передачи эквивалентного гидроагрегата.

2.3. Параметры элементов структурной схемы

Параметры Варианты
 3.1  3.2  3.3  3.4  3.5  3.6  3.7  3.8  3.9 3.10

 Т0,с

 2.0  2.0 1.0 2.0  1.0 1.0  3.0 2.0  1.0 2.0

 Та,с

 8.0 10 8.0  5.0  10 8.0  10 10  8.0 12

 Тр,с

 5.0  4.0  4.0  7.0  5.0  5.0  5.0  7.0  5.0  5.0

Кх

 1.0  1.0  1.0  1.0  1.0  1.0  1.0  1.0  1.0  1.0

К’х

 0.1  0.1  0.1  0.1  0.1  0.1  0.1  0.1  0.1  0.1

3. Содержание задания.

3.1. Рассчитать и построить переходную характеристику системы DРэ = f(t) для a0 = 1.0 и a0 = 0.1 (холостой ход) при DРзад = 1.0, Кр = Кр,расч. и различных значениях Кр и К’.

Выбрать значение Кр,расч и К’расч., при которых переходный процесс имеет затухающий и, по возможности, монотонный (без перерегулирования) характер.

3.2. Рассчитать и построить КЧХ, АЧХ и ФЧХ системы в замкнутом состоянии, оценить частотные свойства (при a0 = 1.0) и качество регулирования.

3.3. Определить показатели качества регулирования по расположению нулей и полюсов передаточной функции системы в комплексной плоскости.

3.4. Рассчитать и построить область устойчивости системы в плоскости параметров Кр и К’ при a0 = 1.0 и a0 = 0.1.

3.5. Определить запас устойчивости системы по модулю и фазе (по Найквисту).

Задание 4

 1. Провести исследование системы автоматического регулирования частоты вращения турбоагрегата (без промежуточного перегрева пара), работающего на выделенную (изолированную) электрическую нагрузку.

 2. Исходные данные.

 2.1. Структурная схема

1-турбогенератор;

2 - звено, моделирующее регулирующий эффект электрической нагрузки;

3 - паровая турбина;

4 - гидравлический серводвигатель;

5 - регулятор частоты вращения;

W - угловая частота вращения, (о.е.);

Р - потребляемая электрическая мощность (нагрузки), (о.е.);

Рт - механическая мощность на валу турбины, (о.е.);

DРн - изменение мощности, обусловленное регулирующим эффектом нагрузки, (о.е.);

Н - степень открытия регулирующего клапана турбины, (о.е.);

l - регулирующее воздействие на выходе регулятора, (о.е.).

2.2. Передаточные функции элементов структурной схемы

DW(p)            1                           DРн(р)

W1(р) =---------------- = ------- ; W2(р) =-------------- = К н ;

DPизб(р)          TJP                        DW(p)

DРт(p)            1                           DН(р)                  1

W3(р) =------------- = --------------- ; W4(р) =--------------- = --------------- ;

DН(р)              Тп р + 1                Dl(p)                   Тд р + 1

Dl(р)

W5(р) = -------------- = Кр (1 + К`р) ,

DW(p)

где ТJ - постоянная времени механической инерции, (с);

Кн - коэффициент регулирующего эффекта нагрузки;

Тп - постоянная времени паропровода, (с);

Кр, К’- коэффициенты передачи.

2.3. Параметры элементов структурной схемы

Параметры Варианты
 4.1  4.2  4.3  4.4  4.5  4.6  4.7  4.8  4.9 4.10

 ТJ,с

 15  15 12 10  15 15  10 12  10 10

 Тп,с

 5.0 5.0 4.0  6.0  4.0 7.0  5.0 6.0  4.0 5.0

 Тд,с

 0.5  0.4  0.6  0.4  0.4  0.5  0.5  0.6  0.4  0.6

Кн

 1.5  1.0  1.2  1.0  1.2  1.0  1.2  1.5  1.0  0.8

Страницы: 1, 2, 3, 4, 5, 6, 7


ИНТЕРЕСНОЕ



© 2009 Все права защищены.