рефераты бесплатно
 

МЕНЮ


Курсовая работа: Релейний захист блока лінія–трансформатор

Для захисту трансформатора від ушкоджень усередині кожуха від зниження рівня олії згідно передбачений газовий захист, що реагує на утворення газів, що супроводжують ушкодження усередині кожуха трансформатора, у відсіку перемикача відпайок пристрою РПН. У якості реле захисту використовуються газові реле. Цей захист приймається як основний захист трансформатора. Він реагує на всі пошкодження в середині бака трансформатора, міжвіткові, міжфазні замикання та замикання на корпус трансформатора. Принцип дії даного типу захисту засновано на явищі газоутворення в баку пошкодженого трансформатора, інтенсивність якого залежить від вигляду пошкодження, що дає можливість виконати газовий захист, здатний розрівнювати ступень пошкодження та в залежності від цього діяти на сигнал або вимкнення.

          Основним елементом газового захисту є газове реле, що встановлюється в трансформаторі, типу ВF-80/Q і реле пристрою РПН RS-1000.

Достоїнства захисту:

1.  Висока чутливість;

2.  Порівняно невеликий час спрацювання;

3.  Простота використання;

4.  Здатність захищати трансформатор при недоступному рівні масла по будь-яких причинах.

Недоліки захисту:

1.  Нереагування захисту на пошкодження поза баком, в зоні між трансформатором та вимикачем.

2.  Захист може подіяти при попаданні повітря в бак трансформатора.

Як захист від струмів в обмотках, обумовлених зовнішніми багатофазними КЗ, передбачається максимальний струмовий захист із комбінованим пуском напруги чи без нього.

Від струмів, обумовлених перевантаженням на трансформаторах потужністю 0,4 МВ-А і вище в залежності від імовірності і значення можливого перевантаження передбачають максимальний струмовий захист із дією на сигнал, а на підстанціях, ще» не обслуговуються, на розвантаження і відключення.


3.2 Захист лінії

          Відповідно до ПУЕ для ліній у мережах 110-500 кВ з ефективно заземленої нейтралю повинні бути передбачені пристрої РЗ від багатофазних замикань і від замикань на землю. Для цього використовується:

– на одиночних лініях з однобічним живленням від багатофазних замикань варто встановлювати східчасті токові захисти.

1–а ступінь – струмова відсічка. Виконується без витримки часу. Діє при КЗ на лініях і резервує частину обмоток трансформатора.

2–а ступінь – МСЗ з витримкою часу. Діє при КЗ на лініях, замиканні обмоток трансформатора на стороні ВН.

Від замикань на землю повинна бути передбачений ступінчатий токовий спрямований або неспрямований захист нульової послідовності .

Захист повинен бути встановлений тільки з тих сторін, відкіля може бути подане живлення.

Даний захист складається з наступних ступіней:

1–а ступінь – спрямована або неспрямована струмова відсічка;

2–а ступінь – МСЗ нульової послідовності.

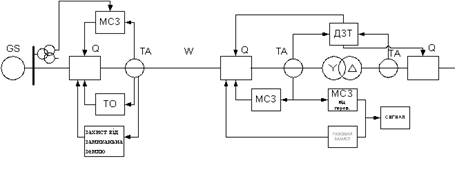
На підставі вище викладеного складаємо структурну схему захистів, що приведена на рис 3.1. шихтованими лініями зазначено на відключення яких вимикачів діє захист.

Рисунок 3.1 – Схема роботи захисту


4 Розрахунок уставок, вибір типів реле та з’ясування типів захисту

4.1 Розрахунок подовжнього диференціального захисту трансформатора

Диференціальні захисти силових трансформаторів виконують в основному на реле серії РНТ і ДЗТ. Розрахунок захисту складається у визначенні струмів спрацьовування захисту і реле, числа витків обмоток реле і коефіцієнта чутливості.

Первинний струм спрацьовування захисту з реле РНТ-565 вибирають за умовами відбудування від кидка струму намагнічування при включенні ненавантаженого трансформатора під напругу і максимальний струм небалансу при перехідних режимах зовнішніх КЗ. Диференціальний захист, струм спрацьовування якого обраний за умовою відбудування від струму небалансу, найчастіше виявляється грубим і малоефективним. Тому для захисту трансформаторів напругою 110 кВ і вище доцільніше застосовувати реле серії ДЗТ, що завдяки наявності гальмової обмотки забезпечує неспрацьовування захисту від струмів небалансу при зовнішніх КЗ.

Порядок розрахунку.

Знаходимо первинний струм на сторонах трансформатора, що захищається, відповідно його номінальній потужності

Коефіцієнт схеми з'єднання трансформаторів струму на високій стороні

а на низькій стороні –

Прийняті коефіцієнти трансформації трансформаторів струму
 .

Визначимо вторинні струми в плечах захисту, що відповідають номінальній потужності трансформатора

Тому що = 4,56 А >= 2,88 А, то вища сторона є основною стороною.

Визначаємо первинний струм спрацьовування захисту з умови відбудування від кидка струму намагнічування

Знаходимо розрахунковий струм спрацьовування реле, приведений до основної сто рони ВН.

Для розрахунку числа витків гальмової обмотки реле визначимо струм небалансу


де - складова, обумовлена різницею намагнічуючих струмів трансформаторів в плечах захисту;

- складова, обумовлена наявністю РПН у трансформаторів;

- складова, обумовлена відмінністю числа розрахункових і прийнятих витків реле на неосновній стороні.

де =1 — коефіцієнт однотипності трансформаторів струму;

- коефіцієнт, що враховує перехідний режим;

=0,1 - відносне значення повної похибки трансформатора струму:

- періодична складова струму при розрахунковому зовнішньому трифазному КЗ.

По параметрах схеми заміщення елементів мережі визначаємо максимальний струм короткого замикання при КЗ усередині трансформатора (т. Кз на рис.4.1).

Рисунок 4.1 - Розрахункова схема заміщення

,

де  - опір обмотки вищої напруги трансформатора в максимальному режимі.

Визначаємо опір системи


Ом; Ом.

Визначаємо опір живильних ліній

Ом

Розрахуємо опір трансформатору в максимальному режимі

Ом

Тут - ступінь регулювання трансформатора в максимальному режимі (РПН : 12* 1 %;=0,12).

А.

Розрахуємо мінімальний струм короткого замикання при КЗ усередині трансформатора.

де  - опір трансформатора в мінімальному режимі.

Ом

А

Струм двофазного короткого замикання в мінімальному режимі буде дорівнювати

А

Тоді

А.

де ,- коефіцієнти потокорозподілу рівні відношенню складових струмів розрахункового зовнішнього КЗ, що проходять на стороні, де провадиться регулювання напру пі, до струму на стороні, де розглядається КЗ;

,- відносні погрішності, обумовлені регулюванням напруги і прийняті рівними половині діапазону регулювання.

А.

Визначимо число витків робочої обмотки реле, що включаються в плече захисту з боку ВН

де = 100 А*В - мінімальна МДС спрацьовування захисту. Приймаємо число витків на основній стороні  - 15 витків.

Визначаємо число витків робочої обмотки реле, що включаються в плече захисту боку НН:

Розрахункове


Приймаємо  = 24 витків.

Визначаємо повний струм небалансу з обліком третьої складової

Розрахуємо число витків гальмової обмотки реле, що включаються в плече захисту з боку низької напруги:

де =0,1 - відносне значення повної погрішності трансформаторів струму;

= 0,12 - відносна погрішність, обумовлена РПН, приймається рівній полонині сумарного діапазону регулювання напруги;

 - кут нахилу дотичної до гальмової характеристики реле, що відповідає мінімальному гальмуванню для реле типу ДЗТ-1  =0,87.

витка

Приймаємо = 10 витків.

Визначимо коефіцієнт чутливості диференціального захисту трансформатора

Таким чином, чутливість захисту достатня.

4.2 Розрахунок максимального струмового захисту трансформатора

На стороні вищої напруги трансформатора передбачається установка максимальною струмового захисту (МСЗ) з витримкою часу.

Максимальний робочий струм трансформатору з сторони вищої напруги буде дорівнювати

А

Струм спрацьовування захисту буде дорівнювати

А

де кн - коефіцієнт надійності;

ке - коефіцієнт повернення реле.

Струм спрацьовування реле

А

де  - коефіцієнт схеми з'єднання трансформаторів струму.

Приймаємо до установки реле типу РТ-40/6 з межами струму спрацьовування 1,5-6 А.

Визначаємо коефіцієнт чутливості захисту


Напруга спрацьовування фільтра – реле зворотної послідовності:

           кВ;

           В.

          Напруга спрацьовування мінімального реле напруги визначається з умови забезпечення повернення реле після відключення КЗ.

де Umin – мінімальна остаточна напруга у місці установки ТН, від якого

живляться реле;

Кн – коефіцієнт надійності (Кн=1,11,2);

Кв – коефіцієнт повернення реле (Кв=1,2).

           кВ.

          Вибираємо ТН /3/ типу НКФ–220 –58У1.

          Напруга спрацьовування реле, підключеного через вимірювальний ТН

           В.

          Час спрацьовування МСЗ вибираємо за умовою забезпечення селективності: tс.з.=1,5 с.

          Вибираємо реле часу РВ – 123 з уставками 0,25 – 3,5 сек.

Чутливість захисту достатня.

Час спрацьовування МСЗ на стороні вищої напруги трансформатора буде дорівнювати:

4.3 Розрахунок захисту трансформатора від перевантаження

Струм спрацьовування захисту від перевантаження можна визначити по вираженню

де кн =1,05 - коефіцієнт надійності;

кв = 0,85 - коефіцієнт повернення;

Струм спрацьовування реле

Захист виконується на реле РТ-40/6 з межами струму спрацьовування 1,5-6 А.

4.4 Газовий захист трансформатора

Силові трансформатори мають газовий захист, що реагує на усі види внутрішніх ушкоджень трансформатора, а також дає сигнал при витоку олії з баку.

При коротких замиканнях у трансформаторі розкладається олія й ізоляційні матеріали. Гази, що утворяться, спрямовуються в розширник. Інтенсивне виділення газу викликай рух олії і пускає в хід газові реле, що встановлюються на патрубку, що з'єднує бак трансформатора і розширника. Промисловість випускає реле типу РГ-22 із двома поплавцями і ртутними контакторами, а також реле типу РГ-43.

При короткому замиканні виникає рух олії і захист без витримки часу відключає вимикач.

Після ремонту трансформатора, долівки олії, а також включення в роботу нового трансформатора, газовий захист включається з дією тільки на сигнал (два-три дня). У противному випадку повітря, що виділяється з олії;, може викликати помилкове відключенні: трансформатора.


5 Захист лінії

Для ліній 220 кВ з ефективно заземленою нейтралью повинні бути передбачені пристрої релейного захисту від багатофазних замикань і від замикань на землю. На одиночних лініях з однобічним живленням установлюються двоступінчасті токові захисти. Від замикані, на землю передбачається степеневий струмовий спрямований захист нульової послідовності.

5.1 Розрахунок струмової відсічки лінії

Струм спрацьовування струмової відсічки лінії, що живить трансформатори, повинний бути відбудований від кидка струму намагнічування трансформаторів по вираженню

і від КЗ на шинах низької напруги трансформаторів по вираженню

де Квід - коефіцієнт відбудування, прийнятий рівним 4-5 при миттєвому

спрацьовуванні захисту;

- сумарний номінальний струм трансформаторів, що живляться від лінії, що захищається;

Кн - коефіцієнт, прийнятий рівним 1,5-1,6 для захисту з реле РТ-40 [3].

- найбільший зі струмів, що проходять у місці установки захисту при трифазних КЗ за трансформаторами у максимальному режимі системи.


 А

 А

 А

Приймаємо струм спрацьовування відсічення 1С_О = 241,5 А. Струм спрацьовування реле відсічки

 А

Напруга спрацьовування фільтр – реле вибирається з умови забезпечення відстройки від напруги небалансу фільтра в нормальному режимі

           кВ.

          Напруга спрацьовування мінімального реле напруги визначається, виходячи з умови забезпечення повернення реле після відключення зовнішнього КЗ

де Котс=1,2 коефіцієнт відстройки;

Кв =1,2 коефіцієнт повернення реле.

           кВ,


           кВ.

          Коефіцієнт чутливості мінімального реле напруги

де Uост – міжфазна напруга при металічному КЗ у місці установки захисту.

           кВ.

Коефіцієнт чутливості для резервних захистів

         

Напруга спрацьовування реле

           В.

Приймаємо реле типу РТ-40/50 з межами струму спрацьовування 12,5-50 А. Чутливість струмової відсічки лінії, що живить трансформатор, визначають при двофазному КЗ наприкінці захищаємої лінії (т. К2 на рис.4.1)

 А


 А

Чутливість струмової відсічки задовольняє вимогам.

5.2 Розрахунок максимального струмового захисту лінії

Первинний струм спрацьовування максимального струмової о захисту, установлено" на лінії, що живить один трансформатор, вибирається з умови відбудування від струмів са-мозапуску

де кн - коефіцієнт надійності, прийнятий рівним 1,1-1,2 для реле РТ-40 і РТ-80; кв- коефіцієнт повернення реле, прийнятий рівним 0,8 для реле РТ-40; ксз- коефіцієнт самозапуску навантаження після відключення зовнішнього КЗ;  - максимальний робочий струм лінії після відключення зовнішнього КЗ. Коефіцієнт самозапуску приймаємо для узагальненого навантаження рівним 3.

 А

Тоді

А

Струм спрацьовування реле визначається по формулі:

 А

Приймаємо реле РТ-40/20 з межами струму спрацьовування 5-20 А. Чутливість захисту визначається по струму двохфазного КЗ наприкінці лінії

Чутливість МСЗ задовольняє вимогам ПУЕ.

Час спрацювання МСЗ лінії дорівнює

5.3 Розрахунок максимального струмового захисту нульової послідовності

Максимальний струмовий захист нульової послідовності реагує на однофазні і двофазні КЗ на землю.

Розрахунок степеневого максимального струмового захисту нульової послідовності полягає у визначенні струмів спрацьовування, витримки часу і чутливості кожної зі ступіней захисту.

Першою ступінню струмового захисту нульової послідовності є струмова відсічка нульової послідовності. Струм спрацьовування відсічки повинний бути відбудований від кидка струму намагнічування трансформаторів, що мають глухозаземлену нейтраль і вмикаємих під напругу при включенні лінії


де 1тр ном - номінальний струм трансформатора.

 А

Тоді

Ісо > (3 - 4)*17,97=(53,91 – 71,88) А

Перевіряємо можливість установки ненаправленої відсічки, відбудованої від КЗ у т К1 (рис.4.1). Визначаємо максимальне і мінімальне значення струму нульової послідовності в т. Кі.

Параметри схеми заміщення схеми зворотної послідовності приймаємо рівними параметрам схеми заміщення прямої послідовності. Параметри схеми заміщення нульової послідовності

 Ом  Ом

 Ом  Ом

 Ом

Опір нульової послідовності при КЗ у г. К1 дорівнює

- у максимальному режимі

 Ом

-  мінімальному режимі

 Ом Тоді

 А

 А.

Складові струмів від системи

 А

 А

Складові струмів від лінії

 А

 А

Струм спрацьовування захисту повинний бути відбудований від максимального значення потроєного струму нульової послідовності, що проходить у місці установки захисту і; короткочасному неповнофазному режимі, що виникає при неодночасному включенні фа; вимикача, що подає напругу на захищаєму лінію.

де кн = 1,3 - коефіцієнт відбудування, що враховує погрішність реле, вплив аперіодичної складової і необхідний запас.

Ісо > 1,3 • 406 = 527,8 А.

Коефіцієнт чутливості відсічки визначається при двохфазному КЗ на землю наприкінці захищаємої лінії (т. К2).

Параметри схеми заміщення

 Ом

 Ом

Струм двохфазного КЗ на землю

 А

Складова від системи

 А

Складова від трансформатора

 А

Знаходимо коефіцієнт чутливості

Чутливість захисту задовольняє вимогам і немає необхідності встановлювати спрямований захист.

Струм спрацьовування реле визначається по формулі:


 А

Приймаємо реле РТ-40/20 з межами струму спрацьовування 5-20 А.

Струм спрацьовування другої ступіні вибирається за умовою відбудування від струму небалансу в нульовому проводі трансформаторів струму при КЗ між трьома фазами за трансформаторами підстанцій, що живляться, тобто в т. К3

де Інб.у - струм небалансу в нульовому проводі в сталому режимі КЗ;

- максимальне значення фазного струму, що проходить у місці установки захисту при зовнішньому КЗ між трьома фазами; =161 А;

 - коефіцієнт небалансу, приймається в залежності від кратності ; при /161/15,81=10,2 =0,1 ;

котс - коефіцієнт відбудування, що враховує погрішність реле, помилки розрахунку і необхідний запас, приймається рівним 1,25;

кпер - коефіцієнт, що враховує збільшення струму небалансу в перехідному режимі, при витримці часу до 0,3 с. дорівнює 1,5.

 А

 А

Струм спрацьовування реле

 А


Приймаємо реле РТ-40/6 з межами струму спрацьовування 1,50-6 А. Знаходимо коефіцієнт чутливості

Витримка часу другої ступіні вибирається за умовою відбудування від різночасності вимикання фаз вимикача і складає 0,1-0,2 с.


6 Опис взаємодії захистів

При міжфазному к.з. у лінії спрацьовує І ступінь східчастого струмового захисту лінії - струмове відсічення без витримки часу і відключає вимикач Q1. При відмовленні струмового відсічення з витримкою часу 2,5 секунди спрацьовує третя ступінь - максимальний струмовий захист лінії і також на відключення вимикача Q1.

Найбільш розповсюдженим видом к.з. у лініях є однофазне к.з. Воно складає 83 % від усіх нидів к.з. у мережах. При виникненні такого ушкодження спрацьовує спочатку перша ступінь східчастого струмового захисту лінії нульової послідовності - токове відсічення нульової послідовності, а у випадку її відмовлення спрацьовує друга ступінь - максимальним струмовий захист нульової послідовності. Витримка часу другої ступіні складає 0,1-0,2 сек.

Найбільш ймовірним видом ушкодження в трансформаторі є виткові замикання в одній фазі. При малому числі витків, що замкнулися, струм в ушкодженій фазі з боку живлення може виявитися менше Iном, а напруга на виводах не зміниться. При цьому без витримки часу на відключення вимикачів Q2 і Q3 повинен спрацювати газовий захист трансформатора.

При відмовленні газового захисту кількість витків, що замкнулися, збільшиться спрацює диференціальний токовий захист трансформатора і без витримки часу відключить вимикачі Q2 і Q3.

Перераховані вище захисти трансформаторів резервує МСЗ трансформатора і МСЗ лінії. При відмовленні ДЗТ повинна спрацювати І ступінь східчастого струмового захисту лінії на відключення вимикача Q1 чи з витримкою часу 21,0 сек. МСЗ трансформатора на відключення вимикачів Q2 і Q3. В останньому випадку МСЗ лінії повернеться у вихідне положення за рахунок більшої витримки часу.

При к.з. на шинах 6 кВ, що не мають спеціального захисту, приходить у дію МСЗ трансформатора і відключає вимикач Q3.

При к.з. на приєднаннях, що відходять, струм к.з. проходить по всіх ділянках мережі, розташованим між джерелом живлення і місцем к.з. При цьому опрацьовує МСЗ лінії, МСЗ трансформатора і МСЗ на приєднанні, що відходить. При нормальній роботі захистів за умовою селективності повинний відключитися вимикач на ушкодженому приєднанні. Інші захисти повернуться в початкове положення. Резервування МСЗ приєднання виконують МСЗ трансформатора і МСЗ лінії.


Висновки

           У результаті роботи спроектовано захист блоку лінія – трансформатор. Розраховані уставки реле струму та напруги, які використовуються у захистах.

          Отже, для лінії приймається двоступінчатий струмовий захист. До трансформатору розраховано диференційний захист, захист від перевантаження, газовий захист. У ролі резервної використовується МСЗ трансформатора з комбінованим пуском по напрузі.

          Використання МСЗ отримало поширене значення із-за техніко-економічних обставин. Цей захист має простий, надійний та невеликий за вартістю вид.

          При розрахунку захисту використовувався принцип селективності. Для цього приймалась ступінь селективності Дt=0,5 с.

          Увесь захист було перевірено на чутливість. При цьому коефіцієнт чутливості для захисту є більше найбільш доступного Кi≥1,5.

Були обрані наступні типи захистів:

– диференціальний захист трансформатора, виконаний на реле ДЗТ– 11. Струм спрацьовування на основній стороні 6,5 А, число витків на стороні ВН – 15, на стороні НН – 24, число витків гальмової обмотки – 10;

– максимальний струмовий захист трансформатора, виконаний реле РТ– 40/6 і встановлений на стороні ВН з уставкою спрацьовування 5,54 А, а час спрацьовування 1,9 сек.;

           – максимальний струмовий захист трансформатора від перевантаження, виконаний реле РТ– 40/6 з уставкою спрацьовування 3,26 А;

– газовий захист трансформатора виконаний реле РГ-43;

– як основний захист лінії встановлений східчастий струмовий захист і захист від замикань на землю. Струм спрацювання реле струмової відсічки складає 40,25 А, тому прийнято реле РТ– 40/50. Струм спрацювання реле МСЗ лінії 17,4 А, прийнято реле типу РТ– 40/20 а час спрацювання цього реле дорівнює 2,4 сек.


Перелік посилань

1.  Чернобров Н.В. Релейная защита. Учебное пособие для техникумов. Изд.5-е, перераб. и доп. М., «Энергия», 1974. – 680 с.: ил.

2.  Андреев В.А. Релейная защита и автоматика систем электроснабжения: Учеб. для вузов по спец. «Электроснабжение». – 3-е изд., перераб. и доп.- М.: Высш. шк., 1991. – 496 с.: ил.

3.  Неклепаев Б.Н., Крючков И.П. Электрическая часть электростанций и подстанций: Справочные материалы для курсового и дипломного проектирования: Учеб. пособие для вузов. – 4-е изд., перераб. и доп. – М.: Энергоатомиздат, 1989. – 608 с.: ил.

4.  Руководящие указания по релейной защите. Вып.13Б Релейная защита понижающих трансформаторов и автотрансформаторов 110 – 500 кВ: Расчеты. – М.: Энергоатомиздат, 1985, - 96 с., ил.

5.  Руководящие указания по релейной защите. Вып.13А Релейная защита понижающих трансформаторов и автотрансформаторов 110 – 500 кВ: Схемы. – М.: Энергоатомиздат, 1985, - 112 с., ил.

6.  Шабад М.А. Расчеты релейной защиты и автоматики распределительных сетей. Изд. 2-е, перераб. и доп. Л., «Энергия», 1976.

7.  Правила устройства электроустановок/Минэнерго СССр. – 6-е изд., перераб. и доп. – М.: Энергоатомиздат, 1987. – 648 с.: ил.


Страницы: 1, 2


ИНТЕРЕСНОЕ



© 2009 Все права защищены.